接上篇 现代密封技术应用 ——使用、维修方法与案例(八)】
现代密封技术应用
——使用、维修方法与案例(九)
第二章 垫片密封的使用维修
......
2.1 垫片密封概述
2.2 垫片密封使用维修方法
2.2.1垫片的选择
2.2.2 垫片的保管
2.2.3垫片的安装
......
2.2.4密封垫片的替换
随着新型密封技术的发展和使用经验的积累,用新型密封技术替换某些目前应用较广的垫片,可以使密封效果更好。
1. 中低压场合采用金属缠绕垫
在某些温度、压力不高的管道上,还在使用无石棉橡胶垫。
由于无石棉橡胶垫易产生粘结法兰、溶胀、填充剂炭化、氯离子和硫化物腐蚀等问题,故在油品介质中不宜使用。(石棉制品不符合国际环保公约,已在很多国家、地区被禁用。)
中低压场合可以考虑采用金属缠绕垫替换现用的无石棉橡胶垫。与无石棉橡胶垫相比,金属缠绕垫不易粘固在法兰上,易于更换,而且密封可靠;与其他半金属垫片(如柔性石墨复合垫、金属包覆垫)相比,金属缠绕垫的材料利用率高,价格比较便宜。
通过改变金属带、非金属带、内外环的材质,金属缠绕垫可适用于各种极度危害介质、高度危害介质、可燃介质或温度高、温差大、极低温环境,是一种密封性能良好的中压垫片,可广泛应用于各种中低压设备和管法兰密封。
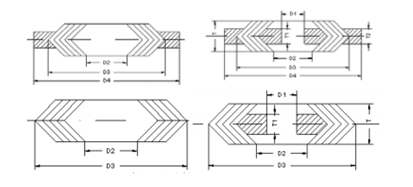
(1) 金属缠绕垫的选用
目前,金属缠绕垫,尤其是石墨缠绕垫在炼油厂应用最为普遍,约占常用密封垫片的80%以上。
金属缠绕垫的选择主要由垫片的使用环境,特别是被密封介质的腐蚀性和洁净性决定的。目前,我国常用的金属带为0Cr18Ni9、0Cr17Ni12Mo12、00Cr17Ni14Mo2Ti;非金属带为柔性石墨、聚四氟乙烯或特制无石棉;外环材料一般为碳钢;内环材料多与金属带材料相同。
金属缠绕垫按结构形式划分主要有基本型、内环型、外环型、内外环型。金属缠绕垫的形式需要与法兰密封面的形式匹配,其常用匹配关系见表2-2
2.2金属缠绕垫与法兰密封面的匹配
垫片形式 | 使用密封面形式 |
基本型 | 榫槽面 |
内环型 | 凹凸面 |
外环型 | 突面① |
内外环型 | 突面 |
①突面更适合推荐使用内外环型

(2)用金属缠绕垫替换无石棉橡胶垫时应注意的几个问题
1)在替换垫片前,应先对法兰的腐蚀情况进行检查。对腐蚀轻微者,直接替换垫片即可;对腐蚀严重者,首先应对法兰几何尺寸进行测量和材质确认,并按标准进行法兰强度校核,校核通过后方可替换垫片。
2)金属缠绕垫的初始预紧力比压无石棉橡胶大,其螺栓预紧力也大,因此替换垫片时应校核螺栓的强度。当螺栓强度不足时,需要换级别相匹配的螺栓,但在更换螺栓时,不应盲目地提高螺栓的强度级别,造成不必要的浪费;而且,强度级别高的材料一般韧性较差,发生泄漏时,节流效应会造成法兰连接部位温度的降低,因此应考虑高强度级别螺栓发生脆断的可能性。
3)金属缠绕垫对密封面的处理要求可参照各种使用单位成熟的方法进行,最终应使密封面的粗糙度值达Ra16.4~3.2μm。
2. 温度和压力波动较大的场合采用波齿复合垫
波齿复合垫是由上下表面开有特殊形状同心沟槽的金属骨架与膨胀石墨材料复合而成。由于复合垫片的金属骨架既带尖齿,有呈波纹状,故名为波齿复合垫。使用时,复合在垫片上的石墨材料被压进沟槽,金属骨架的环形齿峰与法兰面紧密接触,一道道金属骨架的尖齿峰连同被高度压缩的膨胀石墨材料构成一道道密封环,使它具有特别优异的密封性。而特殊构造的金属骨架使波齿复合垫具有像金属齿形垫一样的良好回弹性,特别适应压力、温度波动较大的场合。而且构成波齿复合垫的金属和膨胀石墨材料具有极好的耐高温、耐液体侵蚀性,不易老化,因而能长期保持优异的密封性能。

(1)波齿复合垫的选用
波齿复合垫有两种基本类型:用于平面法兰的带定位环的波齿复合垫和用于凹凸法兰的不带定位环的波齿复合垫。
对于温度和介质不同的场合,应当选用不同的金属骨架材料见表2-3。
表2-3 不同金属骨架材料的波齿复合垫的适用范围
金属骨架材料 | 适用范围 |
08、10、Q235 | 适用于温度≤450℃的非腐蚀性介质场合 |
1Cr13 | 适用于温度≤530℃的非腐蚀性介质场合 |
0Cr18Ni | 适用于一般腐蚀性介质场合 |
特殊材料 | 适用于其他特殊场合 |
(2)波齿复合垫的实际应用
实践证明,波齿复合垫在温度和压力波动较大的场合密封效果良好。
1)某炼油厂加氢裂化装置塔底重沸器管箱法兰和工业炉进料线法兰原来使用石墨缠绕垫,自开工以来,因法兰泄漏多次发生火灾事故。装置检修期间将这些泄漏点的法兰垫片全部更换为波齿复合垫,这些部位不仅在装置第三次开工期间没有发生泄漏,而且在开工后装置出现两次紧急停工、温度急剧变化的情况下,也没有发生泄漏。这说明波齿复合垫适用于温度波动较大部位的密封。
2)某炼油厂新氢压缩机系统压力较高,压力波动较大,在机组开停时,瞬时变化最大可达18.0MPa左右,试运行时多次发生泄漏。试运行期间将级间冷却器法兰等部位的金属缠绕垫改成齿形复合垫,泄漏问题暂时得到解决,但一段时间后泄漏问题又相继出现。改用了波齿复合垫,机组经过多次开停,密封部位都未出现问题。这说明波齿复合垫适用于压力波动较大部位的密封。
(未完,待续)
以上为上海知为材料有限公司内部资料,手机版m.chem1024.com显示不全,详情见www.chem1024.com,,愿与各位技术工程师学习交流,共同进步!