金属缠绕垫片是目前应用广泛的一种密封垫片,缠绕垫片采用"V"形或"W"形金属带及其他合金材料如石墨、聚四氟乙烯、无石棉等软性材料相互交替重叠螺旋缠绕而成。根据其配方、工艺、性能及用途不同,能耐高温、高压和适应超低温或真空下的工作环境,通过改变垫片的材料组合,可解决各种介质对垫片的化学腐蚀问题,其结构密度可依据不同的锁紧力要求来制作,为加强主体和准确定位,缠绕垫片设有金属加强环和外定位环,利用内外钢环来控制其最大压紧度。

金属缠绕垫回弹性优良,能够对管道系统的压力和振动进行自动调整,特别适用于负荷不均匀、接合力易松弛,温度与压力周期性变化、有冲击或震动的场合。是阀门、泵、换热器、塔、人孔、手孔等法兰连接处的静密封原件,广泛地用于石化、机械、电力、冶金、造船、医药、原子能和宇航等行业的管道、阀门、压力容器、冷凝器、换热器、塔、人孔、手孔等法兰连接处密封。
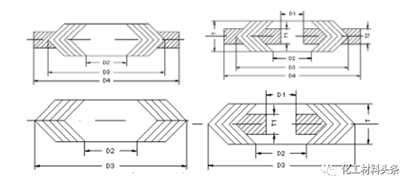
法兰种类对应缠绕垫片形式:
| 法兰种类 | 缠绕垫片形状 |
| 平面法兰 | 带外环缠绕垫片 带内外环缠绕垫片 |
| 凸面法兰 | 带外环缠绕垫片 带内外环缠绕垫片 |
| 凹凸面法兰 | 基本型缠绕垫片 带内环缠绕垫片 |
| 平面和榫槽面法兰 | 基本型缠绕垫片 带内环缠绕垫片缠绕垫片 |
金属缠绕垫片按结构型式分为::基本型金属缠绕垫、带外环金属缠绕垫、带内环金属缠绕垫、带内外环金属缠绕垫,以及换热器用(带筋)和异形金属缠绕垫。常用前四类。

金属缠绕垫金属材质一般使用A3,304,304L,316,316L,蒙乃尔,钛材Ta,或由供需双方协商 确定。密封面表面应光滑.洁净,不应有粗糙不平.裂纹.划伤.凹坑及锈斑等缺陷;不锈钢的硬度值 HV≤200;常用钢带的形状有“V”“W”型;垫片厚度4.5, 3.2(+0.2-0.1)mm,环厚度3.0±0.24mm,非金属带材质一般为柔性石墨带、聚四氟乙烯带、非石棉纤维带等,带的厚度为 0.3-1.0mm。
长时间工作高温在500度以上的应该使用蛭石密封,在石化行业苛刻工况及很多高温条件下推荐使用金属蛭石缠绕垫:

450ºC ~650 ºC 重整装置、煤制氢、PTA、汽油吸附脱硫
650ºC~700 ºC 催化裂化、异丁烷脱氢、轻烃脱氢、高温阀门、熔盐
丙烷脱氢PDH(UOP)、丙烷脱氢(UOP)
800ºC ~850ºC 氢燃料、发电装置、燃料电池
900ºC 火箭发射系统
1000ºC 高温烟气(垃圾处理)
金属缠绕垫性能主要表现在:
1、适用范围广。能耐高温、高压和适应超低温或真空下使用。
2、应用补偿能力强。在高温、高压波动频繁的工位上,密封性能稳定、可靠性强。
3、使用安装方便。
在国内使用的标准一般为:
HG20610-2009 化工部欧洲体系、HG20631-2009化工部美洲体系
GB/T4622.2-97国家标准、ASME B16.20 美标
JB/T4719-92机械部标准、JB/T90-94机械部标准、JB/T4705-2000机械部标准缠绕垫片、SH3407-96 石油化工企业、DIN 德标、JIS B2404-1999 JIS TS-1998日标、BS 3381-1999英标
前四种标准国内最为常用。常用品牌为知为材料。
知为材料设有区域代理、小代理、卫星代理,个人可以做代理;代理人无需操心货物什么时候交付、发票什么时候送达,更不用担心产品是不是合适。就像只要给两个系统搭上一根线,所有的程序宛如流水一般,完全打破了印象中代理人压款压货、忙着试验、忙着解决各种问题的窘境,而且对于这种细水长流的易耗品,有一劳永逸之功,不能不说给代理人在各行业牛熊更替的经济环境中吃了一颗定心丸。另外在与代理人的合作中做到产品技术服务由知为材料支持完成。
保留充分利润 保证优秀方案
保密一切信息 保护一切隐私

产品及技术请咨询 知为材料17717887001
免责声明:部分内容来源于互联网等公开渠道,我们对文中观点持中立态度,本文仅供参考、交流。转载的稿件版权归原作者和机构所有,如有侵权,请联系我们删除。